legines.com
Nikkelbelagt reduserende brystvorte 2501

Nikkelbelagt reduserende brystvorte 2501

Nikkelbelagt brystvorte for tilkobling av to gjengede rør eller beslag og forlengende rørlengde
-Male NPT -tråder for kobling til kvinnelige gjengede rør
-Heksagonal midtseksjon for å stramme med en skiftenøkkel
-Brass for korrosjonsmotstand, duktilitet ved høye temperaturer og lav magnetisk permeabilitet

Typisk applikasjon:
Fett, kjøling, instrumentering og hydrauliske systemer. Dyr

Fordeler:
DrySeal Pipe Threads (BSPT (R)/BSP (G). En rekke størrelser og konfigurasjoner

Kontakt oss

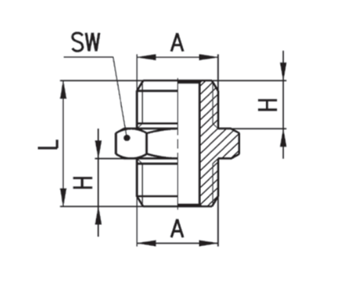
Spesifikasjoner

DEL#

Trådstørrelse a

S.W

L

H

2501-M5

M5

8

11.5

4.0

2501-A

G1/8

13

16.5

6.0

2501-B

G1/4

17

21.0

8.0

2501-C

G3/8

19

23.0

9.0

2501-D

G1/2

24

25.5

10.0

Kontakt med oss

Om Leginer

Legines Industrial Machinery Inc.

Som en profesjonell Kina -produsenter av messingbeslag og skyver leverandører av beslag. Det vedtar full CNC -maskinering og eier verkstedområde på 3600 kvadratmeter. 45 Automatiske maskinverktøy, 35 halvautomatiske CNC-maskinverktøy, så vel som distributører, som har blitt viktige leverandører for produksjon av amerikanske standard messingdeler i Kina ...
  • ære
  • ære

Instruksjoner & Nyheter