legines.com
64# Brass Union Tee Compression Fittings

64# Brass Union Tee Compression Fittings

Messing union tee komprimeringsbeslag 64#

Bruksområder: Markeder:
■■ Luftlinjer ■■ Industriell
■■ Smørelinjer ■■ Emballasje
■■ Kjølelinjer ■■ Pneumatisk
■■ Industri ■■ Printing
■■ Maskineri
■■ Kompressorer
■■ Væskeoverføring

Produktfunksjoner:
■■ Oppfyller funksjonelle krav til SAE J-512
■■ UL oppført for brennbar væske
■■ Messing eller acetal erme tilgjengelig
■■ Ingen rørforberedelser
■■ Smidde og ekstruderte former

Referanse del nr:
64 -164c -S64 -64A

Kontakt oss

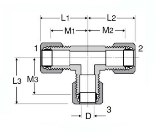
Spesifikasjoner

DEL#

Rørstørrelse O.D

M

M

D

64-2

1/8

/

.53

.94

64-3

3/16

/

.59

.125

64-4

1/4

/

.627

.188

64-5

5/16

/

.65

.250

64-6

3/8

/

.73

.312

64-8

1/2

/

.94

.406

64-10

5/8

/

1.06

.500

DEL#

Rørstørrelse

M1

M2

M3

64-4-4-6

1/4x1/4x3/8

.69

.69

.75

64-4-6-4

1/4x3/8x1/4

.69

.75

.69

64-6-6-4

3/8x3/8x1/4

.75

.75

.69

64-8-8-6

1/2x1/2x3/8

.94

.94

.81

64-10-10-8

5/8x5/8x1/2

1.06

1.06

1.06

*Ref.sae No.060401 Ba

Våre 64 messingforbunds tee-komprimerende beslag er UL oppført for brennbar væske og oppfyller de funksjonelle kravene til SAE J-512. Tilgjengelige i smidde eller ekstruderte former, de er tilgjengelige med både maskinerte og stikkende tråder og i enten en messing eller acetal hylse. Tilgjengelig med enten messing eller acetal ermer, alle komponenter er designet for enkel installasjon, så installasjonen din går greit.

Kontakt med oss

Om Leginer

Legines Industrial Machinery Inc.

Som en profesjonell Kina -produsenter av messingbeslag og skyver leverandører av beslag. Det vedtar full CNC -maskinering og eier verkstedområde på 3600 kvadratmeter. 45 Automatiske maskinverktøy, 35 halvautomatiske CNC-maskinverktøy, så vel som distributører, som har blitt viktige leverandører for produksjon av amerikanske standard messingdeler i Kina ...
  • ære
  • ære

Instruksjoner & Nyheter