legines.com
42# SAE 45 ° Flare hunnkontakt messing fakkelbeslag

42# SAE 45 ° Flare hunnkontakt messing fakkelbeslag

Produktfunksjoner:
■■ All messingkonstruksjon
■■ Motstår vibrasjon med bruk av lang mutter
■■ UL -oppføring
■■ Funksjonelle krav til SAE J512 og J513


Markeder: Applikasjoner:
■■ Kjøling ■■ Kjølemediumlinjer
■■ Kraftig lastebil ■■ Propan
■■ Mobil ■■ Drivstoff
■■ Industriell ■■ Adaptere
■■ Oppvarming ■■ Naturgass
■■ Klimaanlegg

Referanse del nr:
46 -U3 -10227-10248

Kontakt oss

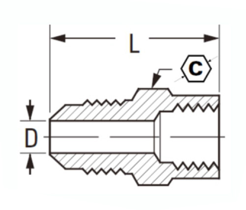
Spesifikasjoner

DEL#

Flare O.D × tråd

C

D

L

46-3a

3/16 × 1/8

9/16

.126

.58

46-4A

1/4 × 1/8

9/16

.189

.69

46-4B

1/4 × 1/4

11/16

.189

.79

46L-4B

1/4 × 1/4

11/16

.189

.88

46-4C

1/4 × 3/8

13/16

.189

1.06

46-4d

1/4 × 1/2

15/16

.189

1.31

46-5a

5/16 × 1/8

5/8

.219

1.38

46-5b

5/16 × 1/4

11/16

.219

1.44

46-5C

5/16 × 3/8

13/16

.219

1.69

46-6a

3/8 × 1/8

5/8

.282

1.88

46-6b

3/8 × 1/4

11/16

.282

1.87

46L-6B

3/8 × 1/4

13/16

.282

1.31

46-6C

3/8 × 3/8

13/16

.282

1.44

46-6d

3/8 × 1/2

1 "

.282

1.69

46L-6D

3/8 × 1/2

15/16

.282

1.44

46-8b

1/2 × 1/4

3/4

.408

1.60

46-8C

1/2 × 3/8

13/16

.408

1.62

46L-8C

1/2 × 3/8

13/16

.408

1.46

46-8d

1/2 × 1/2

1 "

.408

1.73

46L-8D

1/2 × 1/2

7/8

.408

1.62

46-8e

1/2 × 3/4

1-3/16

.408

1.75

46-10C

5/8 × 3/8

7/8

.500

1.79

46-10d

5/8 × 1/2

1 "

.500

1.98

46-12d

3/4 × 1/2

1-3/16

.625

2.17

46-12e

3/4 × 3/4

1-3/16

.625

2.08

"L" betyr lysmønster.

Disse beslagene er helt utskiftbare med full mønsterbeslag, men har blitt endret i likhet med.

Denne modifiseringen er vanligvis i lengden på rørtrådene, brukt i rørleggerarbeid og lette industrielle applikasjoner

*Dimensjonsdata kan endres uten varsel

*Ref.sae No.010103

SAE 45 ° FLAIN-kontakten er designet for lette-til-medium pliktapplikasjoner som krever høy pålitelighet. 46-U3 brukes til 10.000 psi maksimalt trykk ved å bruke nitril gummislange med neoprenforing. Denne kontakten har en tung mutter som motstår vibrasjoner og forlenger produktets levetid. SAE Male Flare Fitting bruker en bajonettlåsring som ikke krever noen spesielle verktøy for å erstatte monteringen i tilfelle svikt eller vedlikehold.

Kontakt med oss

Om Leginer

Legines Industrial Machinery Inc.

Som en profesjonell Kina -produsenter av messingbeslag og skyver leverandører av beslag. Det vedtar full CNC -maskinering og eier verkstedområde på 3600 kvadratmeter. 45 Automatiske maskinverktøy, 35 halvautomatiske CNC-maskinverktøy, så vel som distributører, som har blitt viktige leverandører for produksjon av amerikanske standard messingdeler i Kina ...
  • ære
  • ære

Instruksjoner & Nyheter