legines.com
3151# messingbeslag kvadratiske hodepluggrørbeslag

3151# messingbeslag kvadratiske hodepluggrørbeslag

Produktfunksjoner: Markeder:
■■ All messingkonstruksjon ■■ Industriell
■■ Oppfyller funksjonelle krav til ■■ Konstruksjon
SAE J530 og SAE J531 ■■ Kraftig lastebil
■■ Tråder laget til Dryseal -standarder ■■ Mobil
■■ Både tilgjengelige forgaver og ekstruderinger ■■ Fabrikk/prosessautomatisering

Applikasjoner: Kompatibel rør:
■■ Luftlinjer ■■ Kopper
■■ Vannlinje ■■ Messing
■■ Kjølelinjer ■■ Jernrør

Spesifikasjoner:
Trykkområdet opp til 1000 psi
Temperaturområde -65 ° til 250˚F

Typisk applikasjon:
Fett, drivstoff, LP og naturgass, kjøling. Instrumentasjon og hydrauliske systemer

Samsvar:
Oppfyller spesifikasjoner og standarder for ASA, ASME og SAE.

Referanse del nr:
3151 -211p -109a -109b

Kontakt oss

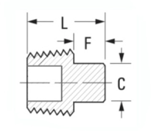
Spesifikasjoner

DEL#

Trådstørrelse

C

F

L

3151-A

1/8

.28

.24

.58

3151-B

1/8

.37

.29

.80

*3151L-B

1/4

.37

.29

.80

3151-C

3/8

.43

.32

.80

3151L-C

3/8

.43

.32

.80

3151-D

1/2

.56

.39

1.07

*3151L-D

1/2

.56

.39

1.07

3151-E

3/4

.62

.43

1.11

*3151L-E

3/4

.62

.43

1.11

*Hul

Vår 3151 -serie tilbyr et komplett utvalg av rørbeslag som brukes i luftlinjer, vannlinjer og smøresystemer. Disse messingbeslagene er produsert fra SAE J530 og SAE J531 materialer for å oppfylle arbeidstrykket og temperaturene dine for pålitelig levetid. Beslag har både forgings og ekstruderinger som er tilgjengelige, samt korrosjonsbestandige plateringsdeksler som kan males til hvilken som helst OEM -standard. All messingkonstruksjon gir overlegen korrosjonsmotstand og styrke. Denne monteringen oppfyller J530 -standarden, og er kompatibel med Dryseal Pipe Threading. Enten du bygger en ny luftlinje eller erstatter eldre metallbeslag med moderne teknologi, vil disse holdbare beslagene hjelpe deg med å få jobben gjort riktig.
Firkantede hodepluggbeslag er produsert av messing og kan brukes i en rekke applikasjoner, inkludert kjølelinjer, vannlinjer, luftlinjer og elektroniske tilkoblinger. Hver passende er kompatibel med kobberrør eller jernrør samt messingrør.

Kontakt med oss

Om Leginer

Legines Industrial Machinery Inc.

Som en profesjonell Kina -produsenter av messingbeslag og skyver leverandører av beslag. Det vedtar full CNC -maskinering og eier verkstedområde på 3600 kvadratmeter. 45 Automatiske maskinverktøy, 35 halvautomatiske CNC-maskinverktøy, så vel som distributører, som har blitt viktige leverandører for produksjon av amerikanske standard messingdeler i Kina ...
  • ære
  • ære

Instruksjoner & Nyheter