legines.com
3350# 45 graders Street Elbow Messing Pipe Fittings

3350# 45 graders Street Elbow Messing Pipe Fittings

Produktfunksjoner: Markeder:
■■ All messingkonstruksjon ■■ Industriell
■■ Oppfyller funksjonelle krav til ■■ Konstruksjon
SAE J530 og SAE J531 ■■ Kraftig lastebil
■■ Tråder laget til Dryseal -standarder ■■ Mobil
■■ Både tilgjengelige forgaver og ekstruderinger ■■ Fabrikk/prosessautomatisering

Applikasjoner: Kompatibel rør:
■■ Luftlinjer ■■ Kopper
■■ Vannlinje ■■ Messing
■■ Kjølelinjer ■■ Jernrør

Spesifikasjoner:
Trykkområdet opp til 1000 psi
Temperaturområde -65 ° til 250˚F

Typisk applikasjon:
Fett, drivstoff, LP og naturgass, kjøling. Instrumentasjon og hydrauliske systemer

Samsvar:
Oppfyller spesifikasjoner og standarder for ASA, ASME og SAE.

Referanse del nr:
306 -3350 -2214p -224 -124a

Kontakt oss

Spesifikasjoner

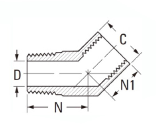
DEL# Trådstørrelse C D N N1
3350-A 1/8 × 1/8 9/16 .219 .50 .38
3350-B 1/4 × 1/4 11/16 .315 .74 .56
3350-C 3/8 × 3/8 13/16 .438 .78 .56
3350-d 1/2 × 1/2 1 " .562 1.00 .76
3350-E 3/4 × 3/4 1 "-1/4 .750 1.06 .75

*Ref.sae No.130339

3350 er en 45 -graders gatealbueformet passende. Monteringen er laget for å brukes med en rekke forskjellige rørmaterialer og tåler opptil 1000 psi. Den har også et driftstemperaturområde mellom -65 ° og 250 ° F.Our 45 graders gatelbue messingrørbeslag blir laget til dine eksakte spesifikasjoner av vårt team av erfarne fabrikanter. Gatealbuen er en rørmontering som har to rørtråder i den ene enden, og den andre enden har en 90 ° bøyning i røret. Gatealbuene brukes i mange forskjellige bransjer fra rørleggerarbeid til transport. Gatealbuer er laget i kvinnelige eller mannlige konfigurasjon for å øke strømmen av væsker eller gasser over et utvalg av trykk, temperaturer og linjestørrelser etter behov av kunden.

Kontakt med oss

Om Leginer

Legines Industrial Machinery Inc.

Som en profesjonell Kina -produsenter av messingbeslag og skyver leverandører av beslag. Det vedtar full CNC -maskinering og eier verkstedområde på 3600 kvadratmeter. 45 Automatiske maskinverktøy, 35 halvautomatiske CNC-maskinverktøy, så vel som distributører, som har blitt viktige leverandører for produksjon av amerikanske standard messingdeler i Kina ...
  • ære
  • ære

Instruksjoner & Nyheter