legines.com
3500# messingbeslag 90 graders albue rørbeslag

3500# messingbeslag 90 graders albue rørbeslag

Produktfunksjoner: Markeder:
■■ All messingkonstruksjon ■■ Industriell
■■ Oppfyller funksjonelle krav til ■■ Konstruksjon
SAE J530 og SAE J531 ■■ Kraftig lastebil
■■ Tråder laget til Dryseal -standarder ■■ Mobil
■■ Både tilgjengelige forgaver og ekstruderinger ■■ Fabrikk/prosessautomatisering

Applikasjoner: Kompatibel rør:
■■ Luftlinjer ■■ Kopper
■■ Vannlinje ■■ Messing
■■ Kjølelinjer ■■ Jernrør

Spesifikasjoner:
Trykkområdet opp til 1000 psi
Temperaturområde -65 ° til 250˚F

Typisk applikasjon:
Fett, drivstoff, LP og naturgass, kjøling. Instrumentasjon og hydrauliske systemer

Samsvar:
Oppfyller spesifikasjoner og standarder for ASA, ASME og SAE.

Referanse del nr:
2200p -3500 -302 -200 -28001 til 28005 -100

Kontakt oss

Spesifikasjoner

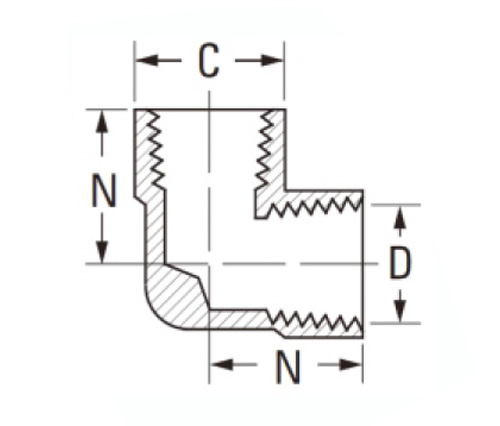
DEL# Trådstørrelse C D N N
3500-A 1/8 × 1/8 9/16 .219 .66 .47
3500-B 1/4 × 1/4 11/16 .315 .91 .72
3500-C 3/8 × 3/8 13/16 .438 .97 .78
3500-d 1/2 × 1/2 1 " .562 1.25 1.03
3500-E 3/4 × 3/4 1 "-1/4 .750 1.38 1.12

REF.SAE NO.130238

Laget av messing er våre 90-graders albuer produsert for å imøtekomme behovene til industrielle og konstruksjonsapplikasjoner. Midd messing er mer holdbar, vanskeligere og mindre sannsynlig å bøye enn ekstruderte produkter. Våre bronsebeslag har også bedre motstand mot sjokk og vibrasjoner. Vi tilbyr både smidde og ekstruderte rørbeslag for prosjekter i alle bransjeapplikasjoner, inkludert luftlinjer, vannlinjer, kjølelinjer og mer. Messingbeslag er produsert med høyeste kvalitetsstandarder. Fra smiprosessen til gjenging og sluttbehandling, blir hvert trinn sjekket med presisjonsverktøy. Disse beslagene oppfyller funksjonelle krav til SAE J530 og SAE J531, mens de er kompatible med SAE Standard SAE J514 og ASME B16.21.Dår 90 graders albuer er produsert av messing av høy kvalitet, og gir en sterk og holdbar struktur. Vi tilbyr både fabrikk- og lastebilmonteringsalternativer med to forskjellige Barb -konfigurasjoner for å imøtekomme store bore -rørstørrelser. Enten du leter etter en erstatning eller ønsker å oppgradere systemet ditt, kan kråkehopper hjelpe.

Kontakt med oss

Om Leginer

Legines Industrial Machinery Inc.

Som en profesjonell Kina -produsenter av messingbeslag og skyver leverandører av beslag. Det vedtar full CNC -maskinering og eier verkstedområde på 3600 kvadratmeter. 45 Automatiske maskinverktøy, 35 halvautomatiske CNC-maskinverktøy, så vel som distributører, som har blitt viktige leverandører for produksjon av amerikanske standard messingdeler i Kina ...
  • ære
  • ære

Instruksjoner & Nyheter