legines.com
3750# messingbeslag hannløp tee messing pipe beslag

3750# messingbeslag hannløp tee messing pipe beslag

Produktfunksjoner: Markeder:
■■ All messingkonstruksjon ■■ Industriell
■■ Oppfyller funksjonelle krav til ■■ Konstruksjon
SAE J530 og SAE J531 ■■ Kraftig lastebil
■■ Tråder laget til Dryseal -standarder ■■ Mobil
■■ Både tilgjengelige forgaver og ekstruderinger ■■ Fabrikk/prosessautomatisering

Applikasjoner: Kompatibel rør:
■■ Luftlinjer ■■ Kopper
■■ Vannlinje ■■ Messing
■■ Kjølelinjer ■■ Jernrør

Spesifikasjoner:
Trykkområdet opp til 1000 psi
Temperaturområde -65 ° til 250˚F

Typisk applikasjon:
Fett, drivstoff, LP og naturgass, kjøling. Instrumentasjon og hydrauliske systemer

Samsvar:
Oppfyller spesifikasjoner og standarder for ASA, ASME og SAE.

Referanse del nr:
2225p -225 -3750 -326 -225 -127a -28245 ~ 28249

Kontakt oss

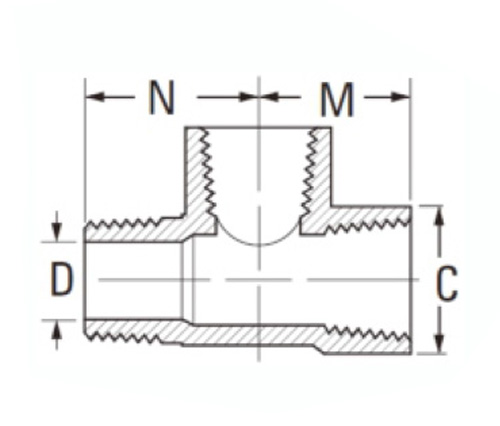
Spesifikasjoner

DEL#

Trådstørrelse

C

D

M

N

3750-A

1/8

9/16

.219

.55

.66

3750-B

1/4

11/16

.312

.78

.90

3750-C

3/8

13/16

.438

.84

.97

3750-d

1/2

1 "

.562

1.09

1.25

3750-E

3/4

1 "-1/4

.750

1.38

1.38

*Ref.sae.no.130424

#3750 Male Run Tee -beslag er produsert av messing og oppfyller behovene til industriell, fabrikk/prosessautomatisering og mobile applikasjoner. De gir en tilkobling for luftlinjer på trykk. Kompatibel rør er tilgjengelig i kobber, messing og jernrør. Markedene inkluderer bygg, industrielle og tunge lastebilmarkeder. Kompatible materialer inkluderer luftlinjer, vannlinjer og kjølelinjer. Disse messingbeslagene kommer i hann og kvinne for enkelhets skyld. Materialene er sterke nok til å stå opp for lekkasjer og styrke, noe som gjør dem ideelle for enhver værforhold.  Hver montering er laget med kobberrør, messing og andre kvalitetsmaterialer som gir styrke, holdbarhet og lang levetid til stykket.

Kontakt med oss

Om Leginer

Legines Industrial Machinery Inc.

Som en profesjonell Kina -produsenter av messingbeslag og skyver leverandører av beslag. Det vedtar full CNC -maskinering og eier verkstedområde på 3600 kvadratmeter. 45 Automatiske maskinverktøy, 35 halvautomatiske CNC-maskinverktøy, så vel som distributører, som har blitt viktige leverandører for produksjon av amerikanske standard messingdeler i Kina ...
  • ære
  • ære

Instruksjoner & Nyheter