legines.com
369ptc mannlig albue svivel 90 °

369ptc mannlig albue svivel 90 °

Produktfunksjoner:
■■ Messing Collet
■■ Buna n o-ring
■■ Støtte i rustfritt stål
■■ Møter D.O.T. FMVSS571.106
■■ Møter SAE J2494-3
■■ Sammensatt kropp - sterk, lett, kompakt og påvirkningsmessig
■■ Plug-in-konfigurasjoner

Markeder:
■■ Kraftig lastebil
■■ Tilhenger
■■ Mobil

Applikasjoner:
■■ Luftbremser
■■ Lufttanker
■■ Lufttur
■■ Glidebrytere
■■ Dekkinflasjon
■■ Primære og sekundærair linjer
■■ CAB -kontroller

Kontakt oss

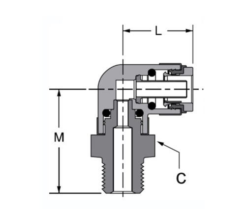
Spesifikasjoner

Referanse del nr:

DEL# Rørstørrelse x mannlig nptf C M L W.g Pris
369Ptc-4A 1/4 × 1/8 9/16 .69 .69
369ptc-4b 1/4 × 1/4 9/16 .69 1.20
369Ptc-4C 1/4 × 3/8 9/16 .69 1.20
369ptc-6a 3/8 × 1/8 3/4 .99 1.13
369Ptc-6b 3/8 × 1/4 3/4 .99 1.28
369Ptc-6C 3/8 × 3/8 3/4 .99 1.28
369ptc-6d 3/8 × 1/2 3/4 .99 1.47
369ptc-8b 1/2 × 1/4 15/16 1.11 1.39
369Ptc-6C 1/2 × 3/8 15/16 1.11 1.39
369ptc-6d 1/2 × 1/2 15/16 1.11 1.58
369ptc-10c 5/8 × 3/8 1-1/16 1.33 1.60
369ptc-10d 5/8 × 1/2 1-1/16 1.33 1.79
369ptc-12d 3/4 × 1/2 1-3/16 1.52 1.89
369ptc-12e 3/4x3/4 1-3/16 1.52 1.89

Den 369 ptc mannlige albuen er en høykvalitets, fullstendig testet svingbar kontakt med metallkollet, buna n o-ring og rustfritt stålrørstøtte. Det møter D.O.T. FMVSS571.106 Standarder og SAE J2494-3 standarder for jevn 360 ° svingbar handling. Plug-in-konfigurasjonene har en sammensatt kropp-sterk, lett, kompakt og påvirkningsmessig.

Kontakt med oss

Om Leginer

Legines Industrial Machinery Inc.

Som en profesjonell Kina -produsenter av messingbeslag og skyver leverandører av beslag. Det vedtar full CNC -maskinering og eier verkstedområde på 3600 kvadratmeter. 45 Automatiske maskinverktøy, 35 halvautomatiske CNC-maskinverktøy, så vel som distributører, som har blitt viktige leverandører for produksjon av amerikanske standard messingdeler i Kina ...
  • ære
  • ære

Instruksjoner & Nyheter