legines.com
24M Presto Manifold

24M Presto Manifold

Produktfunksjoner:
■■ Messing Collet
■■ Buna n o-ring
■■ Støtte i rustfritt stål
■■ Møter D.O.T. FMVSS571.106
■■ Møter SAE J2494-3
■■ Sammensatt kropp - sterk, lett, kompakt og påvirkningsmessig
■■ Plug-in-konfigurasjoner

Markeder:
■■ Kraftig lastebil
■■ Tilhenger
■■ Mobil

Applikasjoner:
■■ Luftbremser
■■ Lufttanker
■■ Lufttur
■■ Glidebrytere
■■ Dekkinflasjon
■■ Primære og sekundærair linjer
■■ CAB -kontroller

Kontakt oss

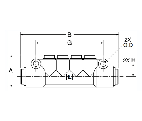
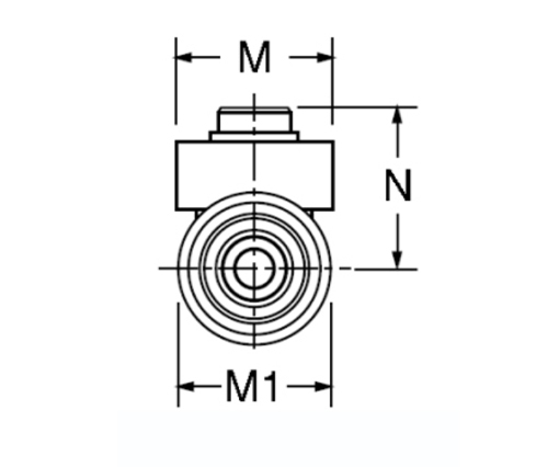
Spesifikasjoner

DEL

Ingen.

Tube O.D

lnlet

Tube O.D

Utsalgssted

EN B D G H M M1 N
24m-4-4 1/4 1/4 1.33 3.98 .21 2.75 .53 .90 .88 .89
24m-6-4 3/8 1/4 1.33 4.00 .21 2.75 .53 .90 .88 .89
24m-6-6 3/8 3/8 1.65 6.49 .22 4.55 .60 1.02 1.02 1.33
24m-8-8 1/2 1/2 1.65 6.49 .22 4.55 .60 1.02 1.02 1.33
24M-8-6-4-4-6-8 1/2 3/8 & 1/4 1.65 6.49 .22 4.55 .60 1.02 1.02 1.17

24M Presto Manifold er bygget for å gi enkel, rask og pålitelig service. Kompositt kropp med sterk, lett, påvirkningsmessig og kompakt design gir styrke mens du reduserer bulk. 24M Presto Manifold er designet for å møte D.O.T FMVSS571.106, SAE J2494-3 krav for høytrykksapplikasjoner. Dens plugg- og spillfunksjoner gir maksimal allsidighet i alle applikasjoner.

Kontakt med oss

Om Leginer

Legines Industrial Machinery Inc.

Som en profesjonell Kina -produsenter av messingbeslag og skyver leverandører av beslag. Det vedtar full CNC -maskinering og eier verkstedområde på 3600 kvadratmeter. 45 Automatiske maskinverktøy, 35 halvautomatiske CNC-maskinverktøy, så vel som distributører, som har blitt viktige leverandører for produksjon av amerikanske standard messingdeler i Kina ...
  • ære
  • ære

Instruksjoner & Nyheter