legines.com
65# 90 ° mannlig unions albuekomprimeringsbeslag

65# 90 ° mannlig unions albuekomprimeringsbeslag

Bruksområder: Markeder:
■■ Luftlinjer ■■ Industriell
■■ Smørelinjer ■■ Emballasje
■■ Kjølelinjer ■■ Pneumatisk
■■ Industri ■■ Printing
■■ Maskineri
■■ Kompressorer
■■ Væskeoverføring

Produktfunksjoner:
■■ Oppfyller funksjonelle krav til SAE J-512
■■ UL oppført for brennbar væske
■■ Messing eller acetal erme tilgjengelig
■■ Ingen rørforberedelser
■■ Smidde og ekstruderte former

Referanse del nr:
65 -265 -65a -S65

Kontakt oss

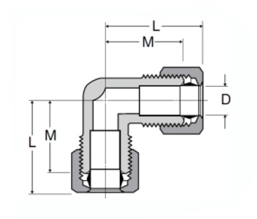
Spesifikasjoner

PRT# Rørstørrelse O.D M D
65-3 3/16 .61 .125
65-4 1/4 .66 .188
65-5 5/16 .69 .250
65-6 3/8 .72 .312
65-8 1/2 .94 .406
65-10 5/8 1.06 .500
65-12 3/4 1.19 .562
65-6-4 3/8x1/4 .75/.69 .125
65-8-6 1/2x3/8 .94/.88 .312

Opptil 6 ganger lettere enn smidde beslag, har 65-serien en lett og korrosjonsbestandig acetal eller messinghus og en smidd messing senterstift. Denne tilpasningen lar deg tilpasse enden av et rør til en 90 graders vinkel. Denne beslaget er tilgjengelig i flere materialer og finish, inkludert messing, rustfritt stål og acetal. Hver passende er stemplet med et delnummer, og sikrer enkel identifikasjon på alle punkter i forsyningskjeden. Denne albue -underenheten brukes vanligvis i drivstoffsystemer der kobberrør til kobberrørforbindelser anbefales. Antall tråder som kreves for å gjøre tilkoblingen kan variere basert på rørmaterialet, veggtykkelse og trådstigning.

Kontakt med oss

Om Leginer

Legines Industrial Machinery Inc.

Som en profesjonell Kina -produsenter av messingbeslag og skyver leverandører av beslag. Det vedtar full CNC -maskinering og eier verkstedområde på 3600 kvadratmeter. 45 Automatiske maskinverktøy, 35 halvautomatiske CNC-maskinverktøy, så vel som distributører, som har blitt viktige leverandører for produksjon av amerikanske standard messingdeler i Kina ...
  • ære
  • ære

Instruksjoner & Nyheter