legines.com
131 stålvendt bremselinjeplugg

131 stålvendt bremselinjeplugg

Produktfunksjoner:
■■ All messingkonstruksjon
■■ UL oppført for brennbar væske og gass
■■ Oppfyller funksjonelle krav til SAE J512
■■ Stålnøtt for økonomi

Markeder: Søknader:
■■ Klimaanlegg ■■ Kjølemediumlinjer
■■ Marine ■■ Bremselinjer
■■ Mobil ■■ Drivstofflinjer
■■ Motorer

Kompatibel rør:
■■ Kopper
■■ Messing
■■ Aluminium
■■ Sveiset stål hydraulisk rør

Kontakt oss

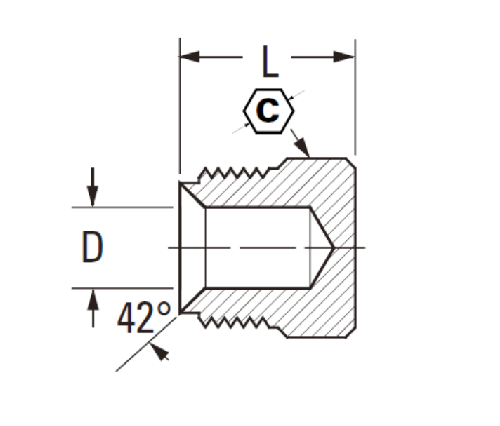
Spesifikasjoner

DEL#

Tube O.D

C

D

L

131-3

3/16 3/8 .188

.53

131-4

1/4 7/16 .188 .54

131-5

5/16 1/2 .250 .59

131-6

3/8 5/8 .312 .66

*Ref.sae No.040109 Ba

Vår 131 serie med messing omvendt bremselinjebeslag er designet spesielt for gass- og drivstoffledninger. Den omvendte designen gir en lekkasjefri forbindelse i trange applikasjoner.
Den 131 stålvendte bremselinjepluggen er en brann- eller bensinkompatibel, omvendt skiftende plugg designet for å forsegle terminalenden av fleksibel rør. Den er laget av sinkbelagt stål for korrosjonsmotstand og en integrert plastinnsats som gir styrke mot forvrengning. Også tilgjengelig med messingkonstruksjon.
Dette produktet er en messing og stålbelagt plugg med omvendt fakkelmontering. Det er laget for å akseptere 1/8. rør. Dimensjonen er 0,53 "diameter med .54" dyp, denne pluggstilen kan bare brukes på kobber, stål og aluminiumsrør.
Økonomi er ofte navnet på spillet i bremselinjeapplikasjoner. Og det er ingen bedre måte å spare penger på enn med denne linjepluggen som holder frisk luft ut av linjene dine, men likevel ser bra ut og vil vare i mange år fremover. Med en stålnøtt og messingfat er dette sikkert å dekke dine behov.

Kontakt med oss

Om Leginer

Legines Industrial Machinery Inc.

Som en profesjonell Kina -produsenter av messingbeslag og skyver leverandører av beslag. Det vedtar full CNC -maskinering og eier verkstedområde på 3600 kvadratmeter. 45 Automatiske maskinverktøy, 35 halvautomatiske CNC-maskinverktøy, så vel som distributører, som har blitt viktige leverandører for produksjon av amerikanske standard messingdeler i Kina ...
  • ære
  • ære

Instruksjoner & Nyheter