legines.com
302 messingbremselinjeforbundet montering

302 messingbremselinjeforbundet montering

Produktfunksjoner:
■■ All messingkonstruksjon
■■ UL oppført for brennbar væske og gass
■■ Oppfyller funksjonelle krav til SAE J512
■■ Stålnøtt for økonomi

Markeder: Søknader:
■■ Klimaanlegg ■■ Kjølemediumlinjer
■■ Marine ■■ Bremselinjer
■■ Mobil ■■ Drivstofflinjer
■■ Motorer

Kompatibel rør:
■■ Kopper
■■ Messing
■■ Aluminium
■■ Sveiset stålhydraulisk rør

Referanse del nr:
302 -2300 -42ifhd

Kontakt oss

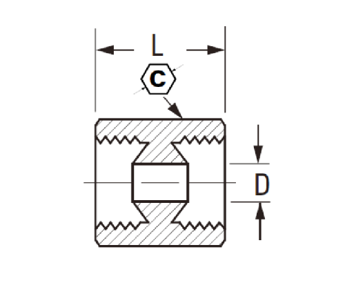
Spesifikasjoner

DEL#

Inv.flare × Inv.flare

C

D

L

302-2

1/8 13/32 .78

.59

302-3

3/16 15/32 .125

.62

302-4 1/4 17/32 .188 .62

302-5

5/16 19/32 .219 .70

302-6

3/8 3/4 .281 .80
302-8 1/2

29/32

.406

.91

*Ref.sae No.040101 Ba

Denne foreningsmonteringen brukes til alle typer applikasjoner som klimaanlegg, kjølemediumlinjer, marine, mobile drivstofflinjer, motorer og overføringer. Den er sammensatt av messingkonstruksjon og har en stålnøtt for økonomi.
Den 302-serie messingfleksible linjeforeningsmontering brukes til å koble til seksjoner av rør med bluss. 302 -serien er ideell for bremselinjer, drivstoffledninger og kjølelinjer. Stålmutteren brukes til å sikre linjeforeningen på plass. 302-serien er designet for bruk med kobber- og aluminiumsrør.
Denne messingforbundets tilpassing lar deg raskt og pålitelig koble til seksjoner av slangen. Den er laget av messing, som er varmebestandig og korrosjonsfri. Det er enkelt å installere, takket være norprene gummipakning som gir en tett tetning mellom endebeslaget, reduserer lekkasjer eller lekkasjer. Unionens passende er kompatibel med rør laget av kobber, messing eller aluminium.
Denne foreningen gir et middel for tilkobling av to rørstykker. Hovedkroppen er laget av messing med en stålnøtt for økonomi. Det piggede innløpet som er gjenget inn i ett rør passer i et spor i kroppen av unionen som passer, og svingte på en messingbluss. Det andre røret går gjennom et eksternt spor som skal festes sikkert med en indre tapp som også kan plasseres i sin egen spor om ønskelig.

Kontakt med oss

Om Leginer

Legines Industrial Machinery Inc.

Som en profesjonell Kina -produsenter av messingbeslag og skyver leverandører av beslag. Det vedtar full CNC -maskinering og eier verkstedområde på 3600 kvadratmeter. 45 Automatiske maskinverktøy, 35 halvautomatiske CNC-maskinverktøy, så vel som distributører, som har blitt viktige leverandører for produksjon av amerikanske standard messingdeler i Kina ...
  • ære
  • ære

Instruksjoner & Nyheter