legines.com
3400# messing pipe beslag 90 graders gatealbue

3400# messing pipe beslag 90 graders gatealbue

Produktfunksjoner: Markeder:
■■ All messingkonstruksjon ■■ Industriell
■■ Oppfyller funksjonelle krav til ■■ Konstruksjon
SAE J530 og SAE J531 ■■ Kraftig lastebil
■■ Tråder laget til Dryseal -standarder ■■ Mobil
■■ Både tilgjengelige forgaver og ekstruderinger ■■ Fabrikk/prosessautomatisering

Applikasjoner: Kompatibel rør:
■■ Luftlinjer ■■ Kopper
■■ Vannlinje ■■ Messing
■■ Kjølelinjer ■■ Jernrør

Spesifikasjoner:
Trykkområdet opp til 1000 psi
Temperaturområde -65 ° til 250˚F

Typisk applikasjon:
Fett, drivstoff, LP og naturgass, kjøling. Instrumentasjon og hydrauliske systemer

Samsvar:
Oppfyller spesifikasjoner og standarder for ASA, ASME og SAE.

Referanse del nr:
2202p -3400 -304 -115 -202 -116a -28156 til 2816

Kontakt oss

Spesifikasjoner

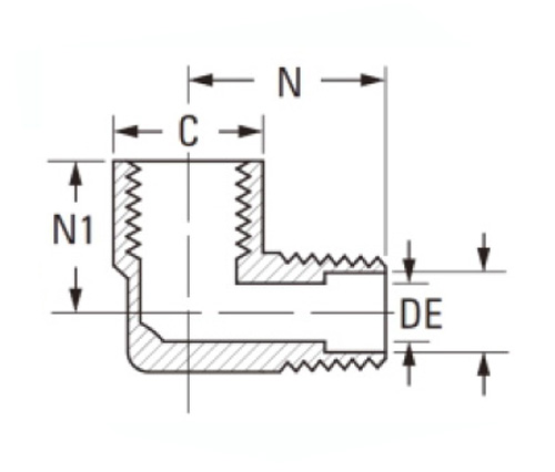
DEL# Trådstørrelse C D N N1
3400-AA 1/8 × 1/8 9/16 .219 .66 .47
3400-bb 1/4 × 1/4 11/16 .315 .91 .72
3400-CC 3/8 × 3/8 13/16 .438 .97 .78
3400-dd 1/2 × 1/2 1 " .562 1.25 1.03
3400-EE 3/4 × 3/4 1-1/4 .750 1.38 1.12

REF.SAE NO.130239

3400# messingrørbeslag 90 graders gatealbue er laget av all messingkonstruksjon og kompatibel med både forgings og ekstruderinger; INDUSTRIAL GRADE beslag som oppfyller de funksjonelle kravene til SAE J530 og SAE J531; Marked: Konstruksjon, kraftig lastebil og mobil. Begge standardene følges for å jobbe med mobile applikasjoner som er termoplastisk gummi (TPR) er utviklet for bruk i bilindustri, industrielle og kommersielle applikasjoner der CPVC er inkompatible. Denne sveisende enden 90 graders gatealbue er egnet for bruk i hydrauliske systemer, spesielt når du arbeider under ekstremt trykk. Den er tilgjengelig i et bredt spekter av størrelser og har eksepsjonell korrosjonsmotstand. Denne tilpasningen brukes til å koble luftlinjer som består av kobberrør. Den har en 90 graders vinkel og er laget av messing, så den tåler tøffe værforhold.

Kontakt med oss

Om Leginer

Legines Industrial Machinery Inc.

Som en profesjonell Kina -produsenter av messingbeslag og skyver leverandører av beslag. Det vedtar full CNC -maskinering og eier verkstedområde på 3600 kvadratmeter. 45 Automatiske maskinverktøy, 35 halvautomatiske CNC-maskinverktøy, så vel som distributører, som har blitt viktige leverandører for produksjon av amerikanske standard messingdeler i Kina ...
  • ære
  • ære

Instruksjoner & Nyheter