legines.com
3600# messingbeslag gren tee messing pipe beslag

3600# messingbeslag gren tee messing pipe beslag

Produktfunksjoner: Markeder:
■■ All messingkonstruksjon ■■ Industriell
■■ Oppfyller funksjonelle krav til ■■ Konstruksjon
SAE J530 og SAE J531 ■■ Kraftig lastebil
■■ Tråder laget til Dryseal -standarder ■■ Mobil
■■ Både tilgjengelige forgaver og ekstruderinger ■■ Fabrikk/prosessautomatisering

Applikasjoner: Kompatibel rør:
■■ Luftlinjer ■■ Kopper
■■ Vannlinje ■■ Messing
■■ Kjølelinjer ■■ Jernrør

Spesifikasjoner:
Trykkområdet opp til 1000 psi
Temperaturområde -65 ° til 250˚F

Typisk applikasjon:
Fett, drivstoff, LP og naturgass, kjøling. Instrumentasjon og hydrauliske systemer

Samsvar:
Oppfyller spesifikasjoner og standarder for ASA, ASME og SAE.

Referanse del nr:
2224p -3600 -T9 -x106 -226 -329 -128 -28281 ~ 28285

Kontakt oss

Spesifikasjoner

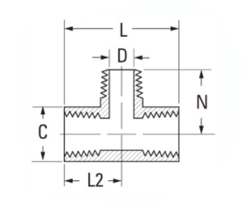
DEL# Trådstørrelse C D L2 N
3600-A F1/8 × M1/8 9/16 .219 1.10 .66
3600-B F1/4 × M1/4 11/16 .315 1.56 .91
3600-C F3/8 × M3/8 13/16 .438 1.68 .97
3600-d F1/2 × M1/2 1 " .562 2.18 1.25
3600-E F3/4 × M3/4 1 "-1/4 .750 2.31 1.38

*Ref.sae No.130425

Heavy Duty Branch TEE -beslag er laget av tungmåler, produsert til SAE J530 og SAE J531 -standarder. De er tilgjengelige i både forgings og ekstruderinger, noe som gir oss allsidigheten til å tilby et bredt utvalg av alternativer for våre kunder. Disse gren-teesene er konstruert med både trykk- og temperaturvurderinger, og er egnet for bruk i praktisk talt hvilken som helst industriell prosess. Begge merkene med rør kan brukes med hell med denne montering. Vår linje med kobber- og messinggren -tee -beslag gir deg overlegen kvalitet og pålitelig ytelse i det bredeste spekteret av applikasjoner. Våre kvalifiserte ingeniører kan hjelpe deg med å velge det beste produktet eller designe et system for å imøtekomme dine spesifikke behov.

Kontakt med oss

Om Leginer

Legines Industrial Machinery Inc.

Som en profesjonell Kina -produsenter av messingbeslag og skyver leverandører av beslag. Det vedtar full CNC -maskinering og eier verkstedområde på 3600 kvadratmeter. 45 Automatiske maskinverktøy, 35 halvautomatiske CNC-maskinverktøy, så vel som distributører, som har blitt viktige leverandører for produksjon av amerikanske standard messingdeler i Kina ...
  • ære
  • ære

Instruksjoner & Nyheter