legines.com
70# smidd 90 ° kvinnelig albuekomprimeringsbeslag

70# smidd 90 ° kvinnelig albuekomprimeringsbeslag

Bruksområder: Markeder:
■■ Luftlinjer ■■ Industriell
■■ Smørelinjer ■■ Emballasje
■■ Kjølelinjer ■■ Pneumatisk
■■ Industri ■■ Printing
■■ Maskineri
■■ Kompressorer
■■ Væskeoverføring

Produktfunksjoner:
■■ Oppfyller funksjonelle krav til SAE J-512
■■ UL oppført for brennbar væske
■■ Messing eller acetal erme tilgjengelig
■■ Ingen rørforberedelser
■■ Smidde og ekstruderte former

Referanse del nr:
70 -170C -S70 -70A

Kontakt oss

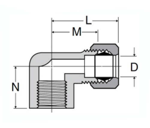
Spesifikasjoner

DEL#

Rør o.d x femalr nptf

N

M

D

70-3a

3/16x1/8

.470

.69

.125

70-4A

1/4x1/8

.470

.69

.188

70-4b

1/4x1/4

.562

.75

.188

70-5a

5/16x1/8

.600

.78

.234

70-5b

5/16x1/4

.562

.78

.250

70-6b

3/8x1/4

.580

.81

.312

70-6C

3/8x3/8

.580

.88

.312

70-8b

1/2x1/4

.700

1.00

.312

70-8C

1/2x3/8

.700

1.00

.406

70-8d

1/2x1/2

.880

1.00

.406

*Ref.sae No.060203 Ba

Den 70# forfalskede kvinnelige albuen er en pålitelig kompresjonsmål som er laget for å møte SAE J-512. Denne beslaget er designet med en 90 ° vinkel i forhold til røraksen og kan brukes til å forgrene seg eller lage en vinkel når som helst etter installasjonen. Den smidde messing eller acetalhylsen gir enkel montering uten noe rørforberedelse.
Den 70 graders kvinnelige albuen brukes til strømningskontroll og kan brukes i mildt stål, rustfritt stål, aluminium og plast. Den 70 graders kvinnelige albuen inkluderer en plast- eller messinghylse som gir korrosjonsmotstand. Denne beslaget er kompatibel med myk inngjerdet slang og nakkestørrelsen samsvarer med røret OD når det er satt sammen.

Kontakt med oss

Om Leginer

Legines Industrial Machinery Inc.

Som en profesjonell Kina -produsenter av messingbeslag og skyver leverandører av beslag. Det vedtar full CNC -maskinering og eier verkstedområde på 3600 kvadratmeter. 45 Automatiske maskinverktøy, 35 halvautomatiske CNC-maskinverktøy, så vel som distributører, som har blitt viktige leverandører for produksjon av amerikanske standard messingdeler i Kina ...
  • ære
  • ære

Instruksjoner & Nyheter