legines.com
502 omvendt Flare Union -albue

502 omvendt Flare Union -albue

Produktfunksjoner:
■■ All messingkonstruksjon
■■ UL oppført for brennbar væske og gass
■■ Oppfyller funksjonelle krav til SAE J512
■■ Stålnøtt for økonomi

Markeder: Søknader:
■■ Klimaanlegg ■■ Kjølemediumlinjer
■■ Marine ■■ Bremselinjer
■■ Mobil ■■ Drivstofflinjer
■■ Motorer

Kompatibel rør:
■■ Kopper
■■ Messing
■■ Aluminium
■■ Sveiset stålhydraulisk rør

Referanse del nr:
502 -450

Kontakt oss

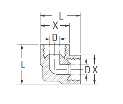
Spesifikasjoner

DEL#

Tube O.D

D

M

L

502-4 1/4 .188 .53 .77
*502-5 5/16 .219 .59 .86
*502-6 3/8 .281 .72 1.04

*Ikke standard

*Ref.sae No.040201 Ba

502 Inverted Flare Union -albuen er en blussforening som gir en universelt kompatibel forbindelse for rør på nedstrøms side av delen. Det har all messingkonstruksjon, er UL oppført for brennbar væske og gass, og oppfyller funksjonelle krav til SAE J512. Stålnøtt for økonomi vennligst sjekk ref nr.
Denne foreningsalbuen er en rørleggeranmål som brukes i kjøling og klimaanlegg. Det er vanligvis koblet til kobber-, sølv- eller messingrør. De blussede beslagene inkluderer dreneringshull for å tømme kondensasjonen fra slangen.

Kontakt med oss

Om Leginer

Legines Industrial Machinery Inc.

Som en profesjonell Kina -produsenter av messingbeslag og skyver leverandører av beslag. Det vedtar full CNC -maskinering og eier verkstedområde på 3600 kvadratmeter. 45 Automatiske maskinverktøy, 35 halvautomatiske CNC-maskinverktøy, så vel som distributører, som har blitt viktige leverandører for produksjon av amerikanske standard messingdeler i Kina ...
  • ære
  • ære

Instruksjoner & Nyheter