legines.com
105L stålrør lang trådmutter

105L stålrør lang trådmutter

Produktfunksjoner:
■■ All messingkonstruksjon
■■ UL oppført for brennbar væske og gass
■■ Oppfyller funksjonelle krav til SAE J512
■■ Stålnøtt for økonomi

Markeder: Søknader:
■■ Klimaanlegg ■■ Kjølemediumlinjer
■■ Marine ■■ Bremselinjer
■■ Mobil ■■ Drivstofflinjer
■■ Motorer

Kompatibel rør:
■■ Kopper
■■ Messing
■■ Aluminium
■■ Sveiset stålhydraulisk rør

Referanse del nr:

Kontakt oss

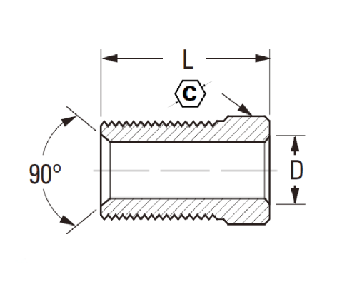
Spesifikasjoner

DEL#

Tube O.D

C

D

L

105L-3

3/16 3/8 .196

.844

105L-4

1/4 7/16 .257 .812

Dette er en messingkonstruksjon, lang trådmutter for rør opp til 1/4 "O.D. -materiale. Det har UL oppført for brennbar væske og gass, oppfyller funksjonelle krav til SAE J512 & UL 923/UL 181 standarder, og er i samsvar med FMVSS 135 & FMVSS 302 spesifikasjoner
Leter du etter rustfritt stålrørnøtter? Denne oppføringen er for deg! Den lange trådmutteren på 105L rustfritt stål er en flott oppgradering til rørleggeranlegget ditt som er bygget av all messingkonstruksjon og oppfyller funksjonelle krav til SAE J512. Det kommer i mange størrelser, så sørg for å sjekke dem ut.

Kontakt med oss

Om Leginer

Legines Industrial Machinery Inc.

Som en profesjonell Kina -produsenter av messingbeslag og skyver leverandører av beslag. Det vedtar full CNC -maskinering og eier verkstedområde på 3600 kvadratmeter. 45 Automatiske maskinverktøy, 35 halvautomatiske CNC-maskinverktøy, så vel som distributører, som har blitt viktige leverandører for produksjon av amerikanske standard messingdeler i Kina ...
  • ære
  • ære

Instruksjoner & Nyheter