legines.com
702 Inverterte Flare Union Tee -beslag

702 Inverterte Flare Union Tee -beslag

Produktfunksjoner:
■■ All messingkonstruksjon
■■ UL oppført for brennbar væske og gass
■■ Oppfyller funksjonelle krav til SAE J512
■■ Stålnøtt for økonomi

Markeder: Søknader:
■■ Klimaanlegg ■■ Kjølemediumlinjer
■■ Marine ■■ Bremselinjer
■■ Mobil ■■ Drivstofflinjer
■■ Motorer

Kompatibel rør:
■■ Kopper
■■ Messing
■■ Aluminium
■■ Sveiset stålhydraulisk rør

Referanse del nr:
244IFHD -702 -441

Kontakt oss

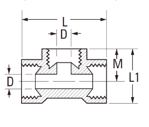
Spesifikasjoner

DEL#

Tube O.D

D

M

L

702-2 1/8 .078 .330 .94
702-3 3/16 .125 .390 1.09
702-4 1/4 .188 .420 1.13
702-5 5/16 .219 .450 1.25
702-6 3/8 .281 .560 1.48
702-8 1/2 .406 .937 1.76

*Ref.sae No.040401 Ba

Den omvendte Flare Union TEE -tilpasningen brukes til å koble til to rør. Denne tilpasningen tillater flyt fra en tilkobling til å gå ut fra motsatt tilkobling uten å redusere trykk eller strømning. Den har en fullstendig sammenhengende messingkonstruksjon og har en SAE J512 -kompatibel design, slik at den kan motstå korrosjon. Den omvendte Flare Union -tee kan brukes i både kommersielle og industrielle applikasjoner som klimaanlegg, kjølemediumlinjer, marine motorer, bremselinjer og mobile drivstofflinjer.
Våre 702 omvendte Flare Union -tilbehør er laget av messing, og oppfyller kravene til SAE J512. Den har en stålnøtt for økonomi den kan brukes i linjene med frostvæske, bremsevæske, kjøling av marin motor og goo.

Kontakt med oss

Om Leginer

Legines Industrial Machinery Inc.

Som en profesjonell Kina -produsenter av messingbeslag og skyver leverandører av beslag. Det vedtar full CNC -maskinering og eier verkstedområde på 3600 kvadratmeter. 45 Automatiske maskinverktøy, 35 halvautomatiske CNC-maskinverktøy, så vel som distributører, som har blitt viktige leverandører for produksjon av amerikanske standard messingdeler i Kina ...
  • ære
  • ære

Instruksjoner & Nyheter